Modèles & Marques
GL
Documents
Docs
Annonces
Forum
Connexion
Base documentaire
Retrouvez les magazines dans notre nouvel espace avec visionneuse intégrée :
https://magazines.retrotechnique.org
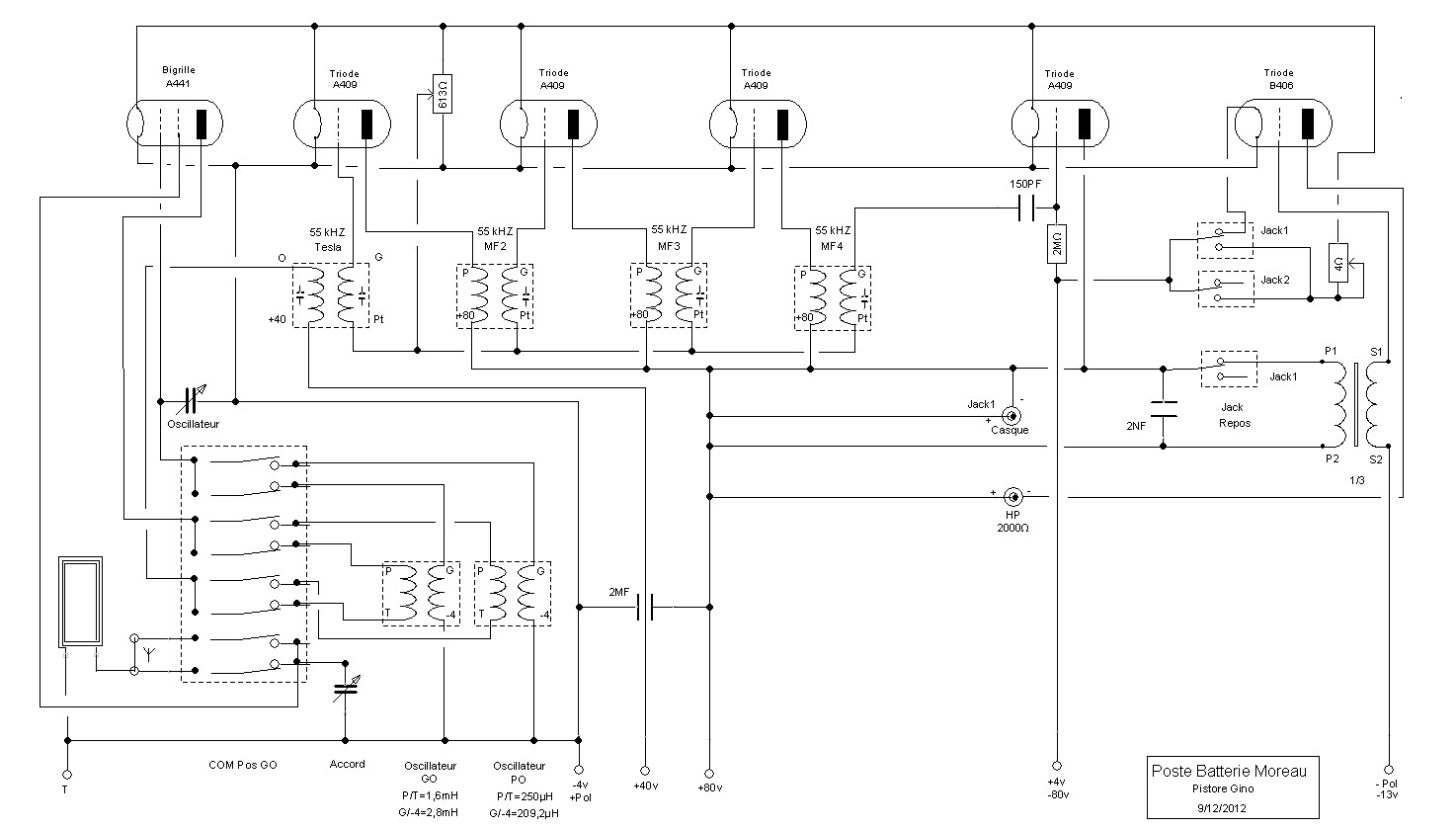
Document n° 37885
Nombre de fichiers : 1
Placé par : Pistore Gino
Origine : Relevé du schéma
Mise en ligne : 13/01/2013
(inconnu)
Parution : ?
En lien avec le modèle
Moreau - Modèle à identifier (26908)
p. 1
Signaler un contenu erroné ou une anomalie