Modèles & Marques
GL
Documents
Docs
Annonces
Forum
Connexion
Base documentaire
Retrouvez les magazines dans notre nouvel espace avec visionneuse intégrée :
https://magazines.retrotechnique.org
Document n° 37779
Nombre de fichiers : 1
Placé par : Japa
Mise en ligne : 31/12/2012
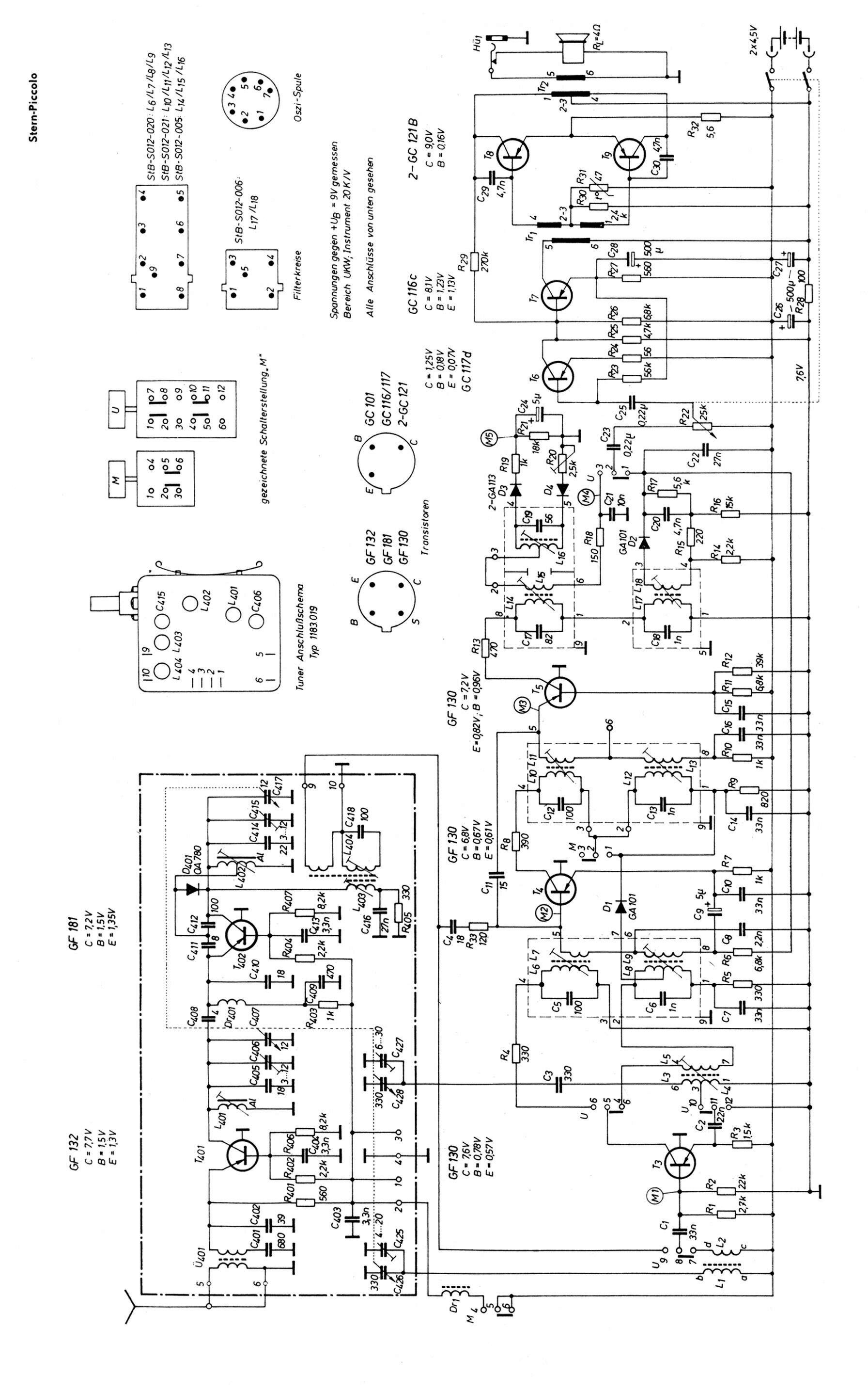
Piccolo R 120
Parution : 1969
En lien avec le modèle
Stern-Radio Berlin - Piccolo R 120
p. 1
Signaler un contenu erroné ou une anomalie