Modèles & Marques
GL
Documents
Docs
Annonces
Forum
Connexion
Base documentaire
Retrouvez les magazines dans notre nouvel espace avec visionneuse intégrée :
https://magazines.retrotechnique.org
Document n° 37767
Nombre de fichiers : 1
Placé par : Japa
Mise en ligne : 29/12/2012
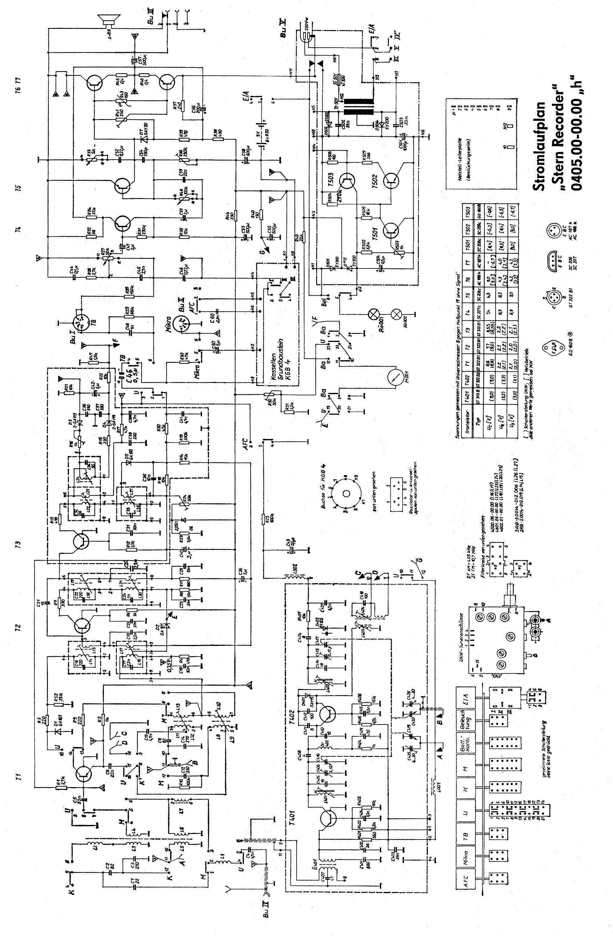
recorder R 160
Parution : 1973
En lien avec le modèle
Stern-Radio Berlin - Recorder R 160
p. 1
Signaler un contenu erroné ou une anomalie