Modèles & Marques
GL
Documents
Docs
Annonces
Forum
Connexion
Base documentaire
Retrouvez les magazines dans notre nouvel espace avec visionneuse intégrée :
https://magazines.retrotechnique.org
Documents
->
Schémas, manuels de service
->
Schémas et manuels de service par marque et modèle
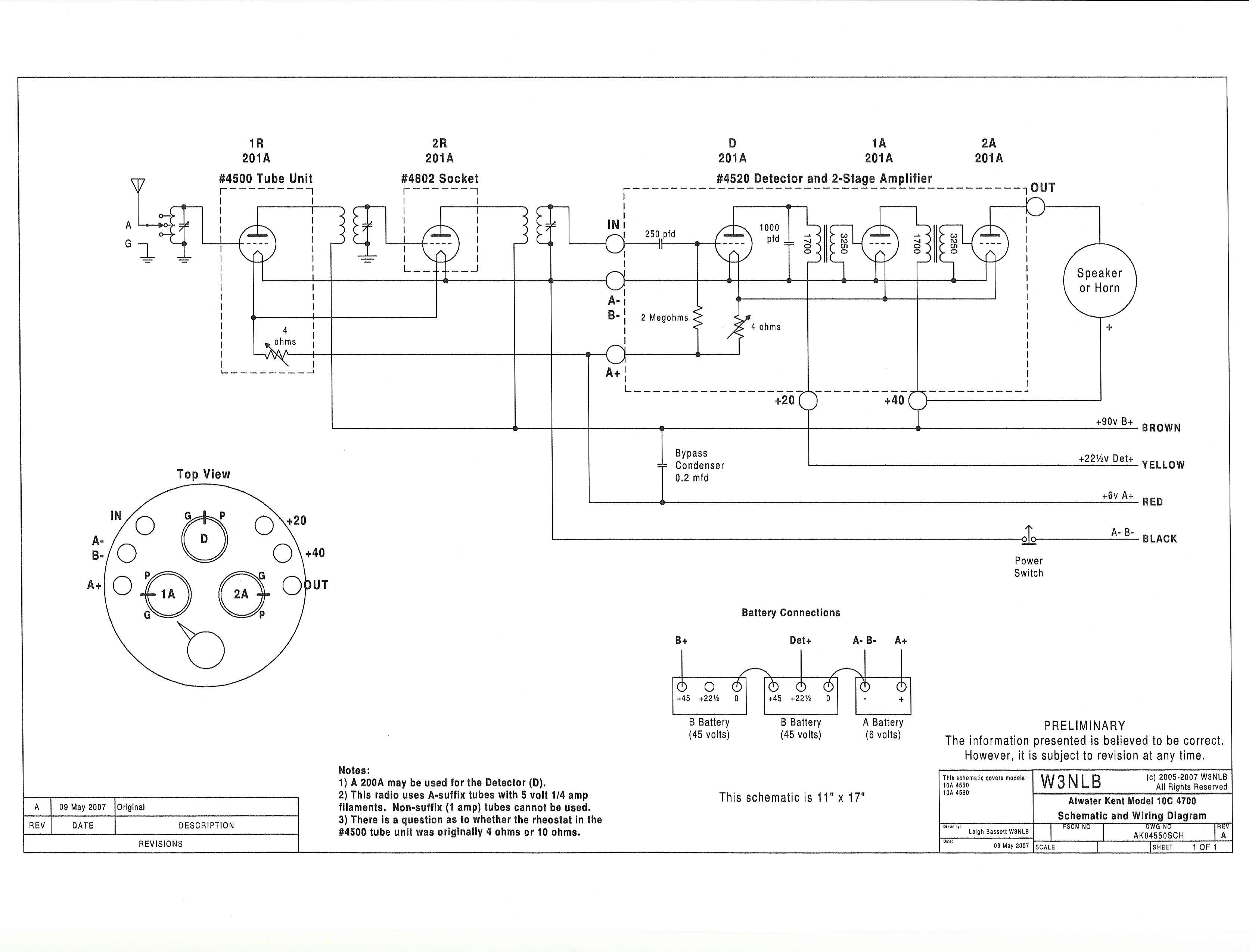
Document n° 37116
Nombre de fichiers : 1
Placé par : Guittard Jean-pierre
Origine : inconnue ?
Mise en ligne : 24/07/2012
10A-type4550
Parution : 1923
En lien avec le modèle
Atwater Kent - 10A-type4550
p. 1
Signaler un contenu erroné ou une anomalie