Modèles & Marques
GL
Documents
Docs
Annonces
Forum
Connexion
Base documentaire
Retrouvez les magazines dans notre nouvel espace avec visionneuse intégrée :
https://magazines.retrotechnique.org
Document n° 35350
Nombre de fichiers : 1
Placé par : Japa
Mise en ligne : 16/01/2012
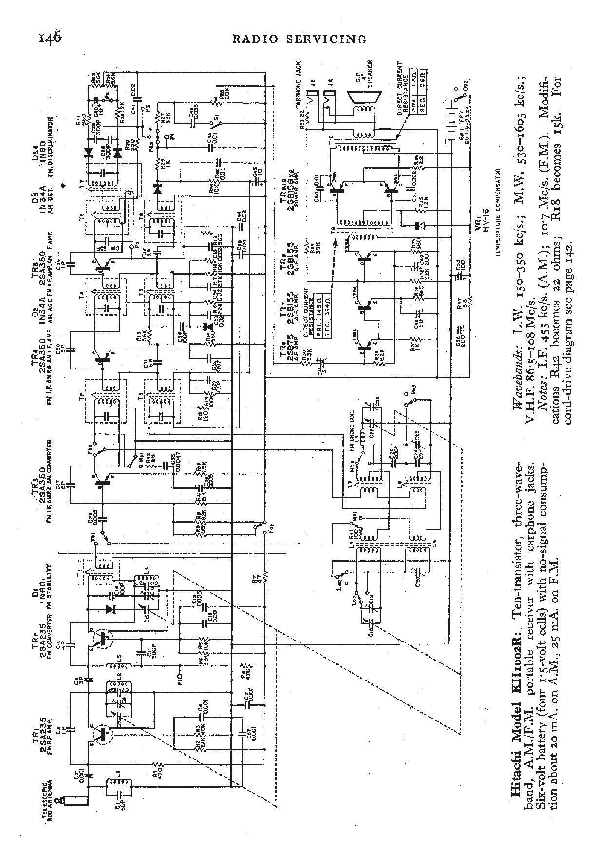
KH 1002 R Hiphonic
Parution : 1965
En lien avec le modèle
Hitachi - KH 1002 R Hiphonic
p. 1
Signaler un contenu erroné ou une anomalie