Modèles & Marques
GL
Documents
Docs
Annonces
Forum
Connexion
Base documentaire
Retrouvez les magazines dans notre nouvel espace avec visionneuse intégrée :
https://magazines.retrotechnique.org
Document n° 35194
Nombre de fichiers : 2
Placé par : Jota2
Mise en ligne : 09/01/2012
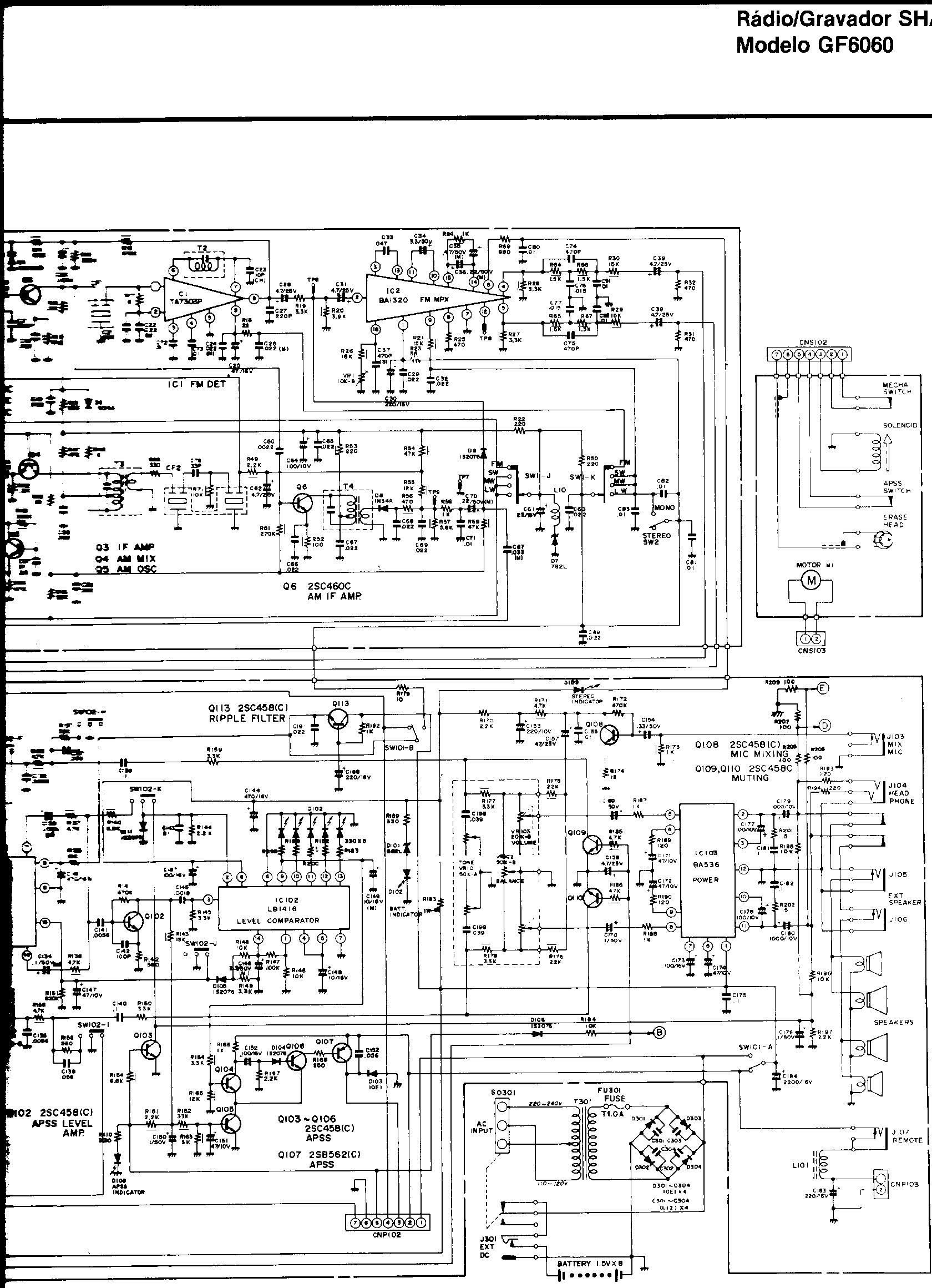
GF6060
En lien avec le modèle
Sharp - GF 6060
p. 1
p. 2
Signaler un contenu erroné ou une anomalie