Modèles & Marques
GL
Documents
Docs
Annonces
Forum
Connexion
Base documentaire
Retrouvez les magazines dans notre nouvel espace avec visionneuse intégrée :
https://magazines.retrotechnique.org
Document n° 34473
Nombre de fichiers : 1
Placé par : Aufils Raynal
Origine : Radiola Service
Mise en ligne : 17/12/2011
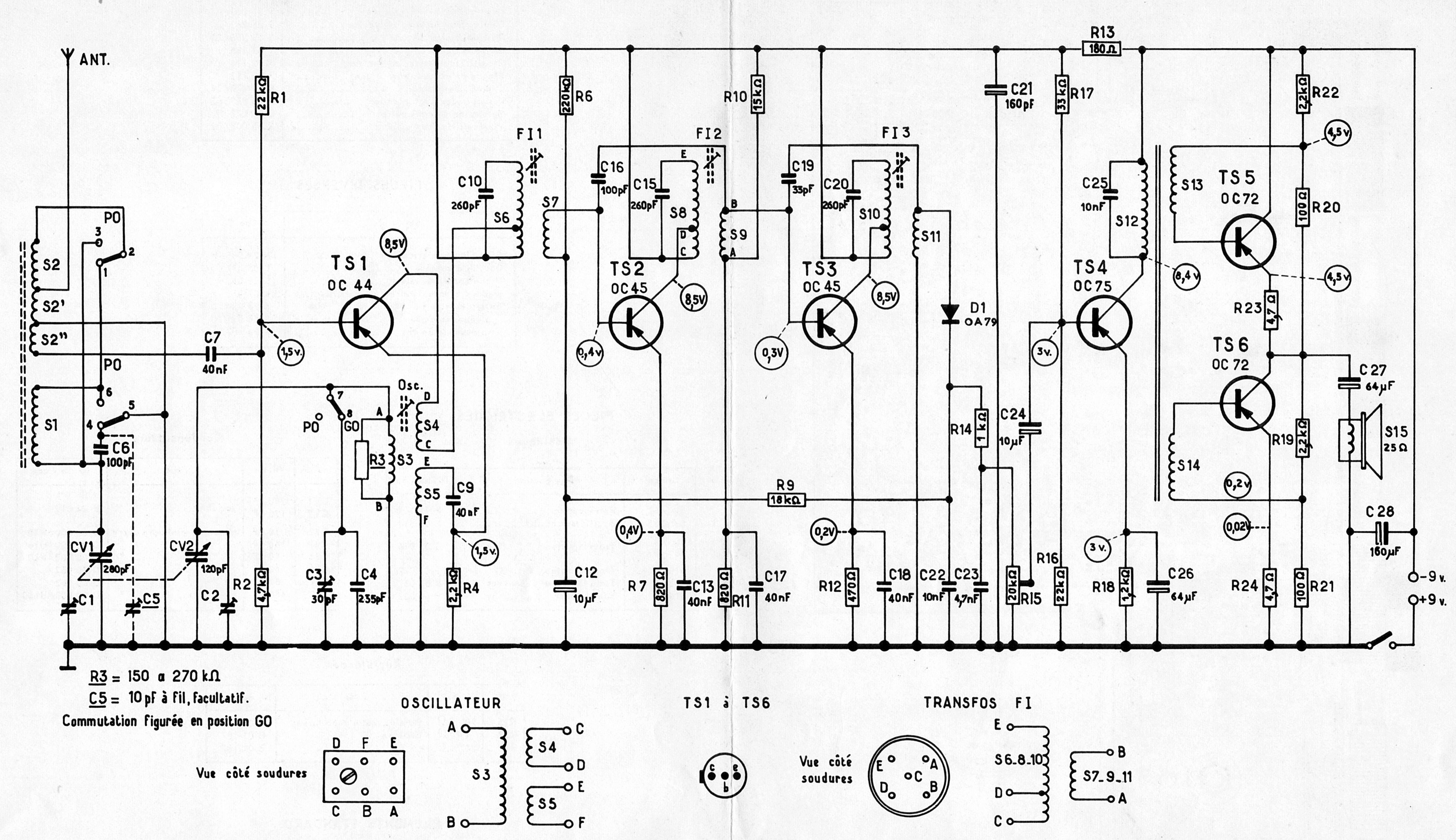
M 12 T/01 (1963)
Parution : 1963
En lien avec le modèle
Médiator - M 12 T/01
p. 1
Signaler un contenu erroné ou une anomalie