Modèles & Marques
GL
Documents
Docs
Annonces
Forum
Connexion
Base documentaire
Retrouvez les magazines dans notre nouvel espace avec visionneuse intégrée :
https://magazines.retrotechnique.org
Document n° 33445
Nombre de fichiers : 1
Placé par : Aufils Raynal
Mise en ligne : 24/11/2011
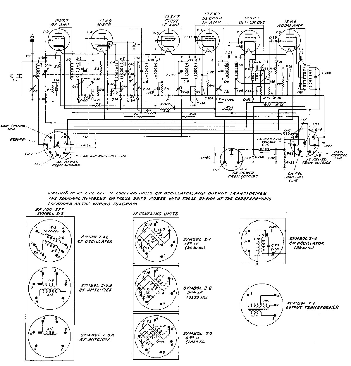
BC 454
Parution : 1939
En lien avec le modèle
Western Electric - BC 454
p. 1
Signaler un contenu erroné ou une anomalie