Modèles & Marques
GL
Documents
Docs
Annonces
Forum
Connexion
Base documentaire
Retrouvez les magazines dans notre nouvel espace avec visionneuse intégrée :
https://magazines.retrotechnique.org
Document n° 2516
Nombre de fichiers : 2
Placé par : Aufils Raynal
Origine : Radio Plans 1956
Mise en ligne : 12/08/2008
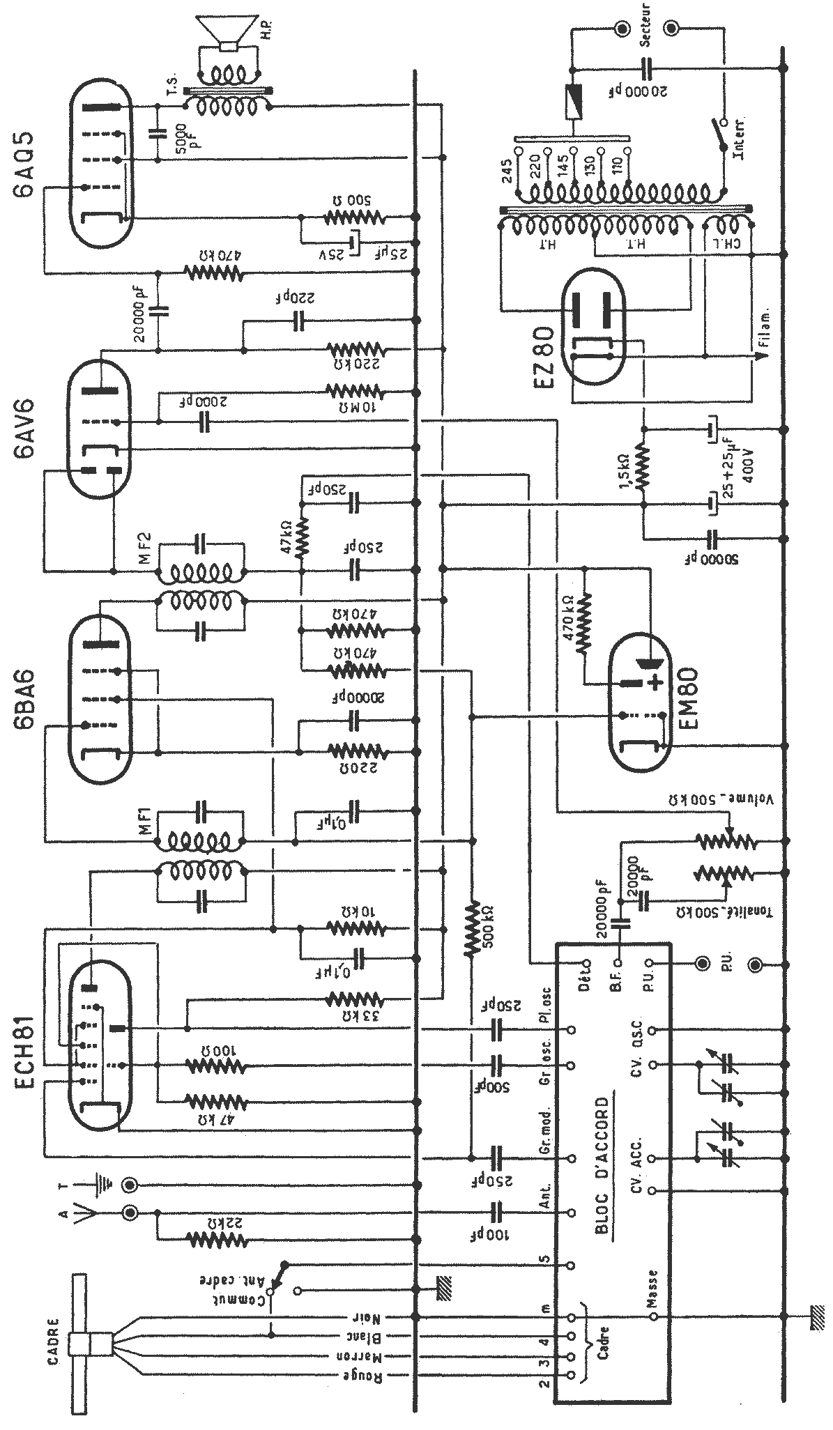
Simony 6
Parution : 1956
En lien avec le modèle
Teral - Simony 6
p. 1
p. 2
Signaler un contenu erroné ou une anomalie