Modèles & Marques
GL
Documents
Docs
Annonces
Forum
Connexion
Base documentaire
Retrouvez les magazines dans notre nouvel espace avec visionneuse intégrée :
https://magazines.retrotechnique.org
Documents
->
Schémas, manuels de service
->
Schémas et manuels de service par marque et modèle
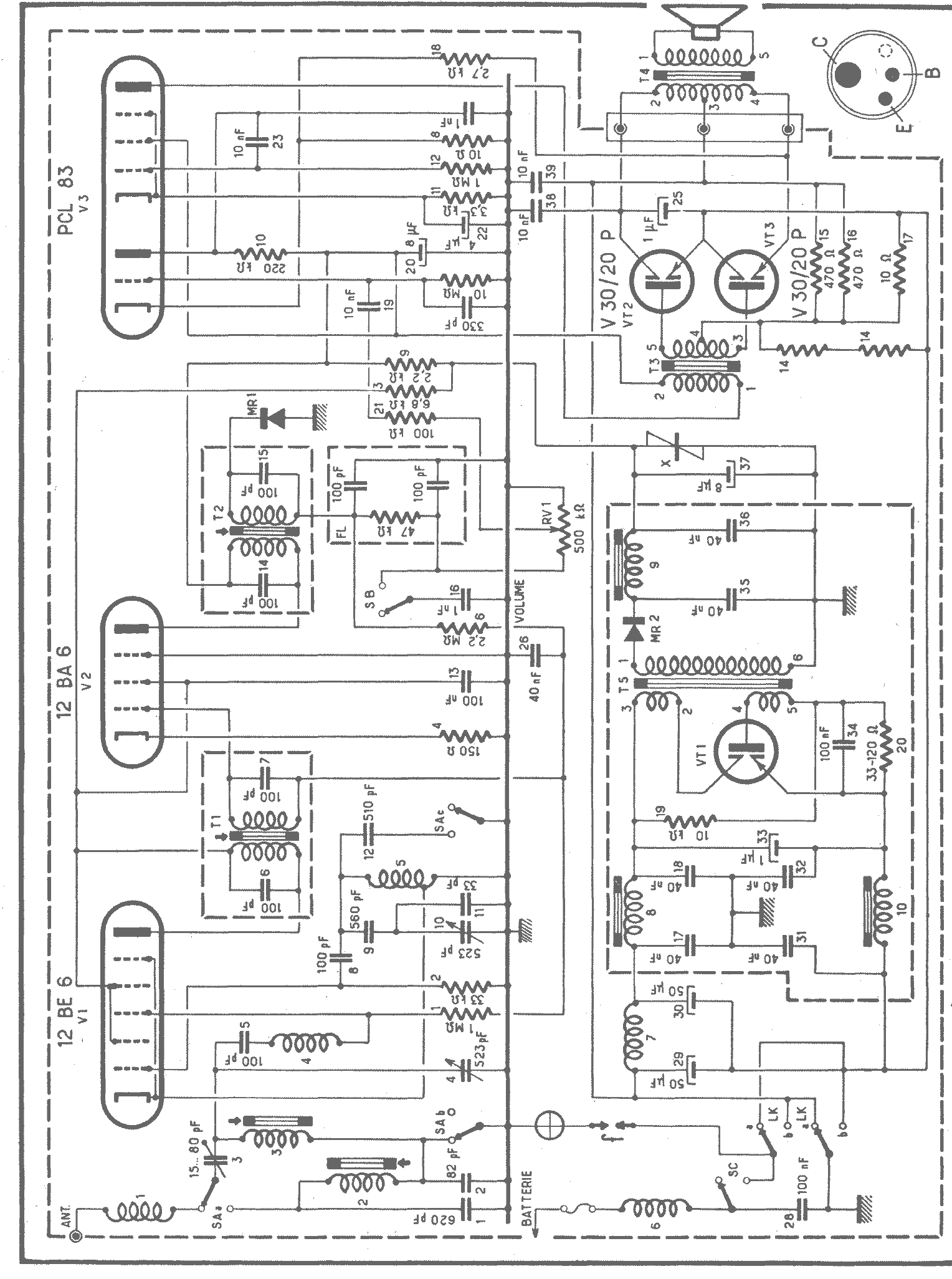
Document n° 2490
Nombre de fichiers : 2
Placé par : Aufils Raynal
Origine : Toute la Radio 1958
Mise en ligne : 04/08/2008
TCR 16
Parution : 1958
En lien avec le modèle
Pye - TCR 16
p. 1
p. 2
Signaler un contenu erroné ou une anomalie