Modèles & Marques
GL
Documents
Docs
Annonces
Forum
Connexion
Base documentaire
Retrouvez les magazines dans notre nouvel espace avec visionneuse intégrée :
https://magazines.retrotechnique.org
Document n° 21621
Nombre de fichiers : 6
Placé par : Jean-michel_bourque
Mise en ligne : 31/10/2010
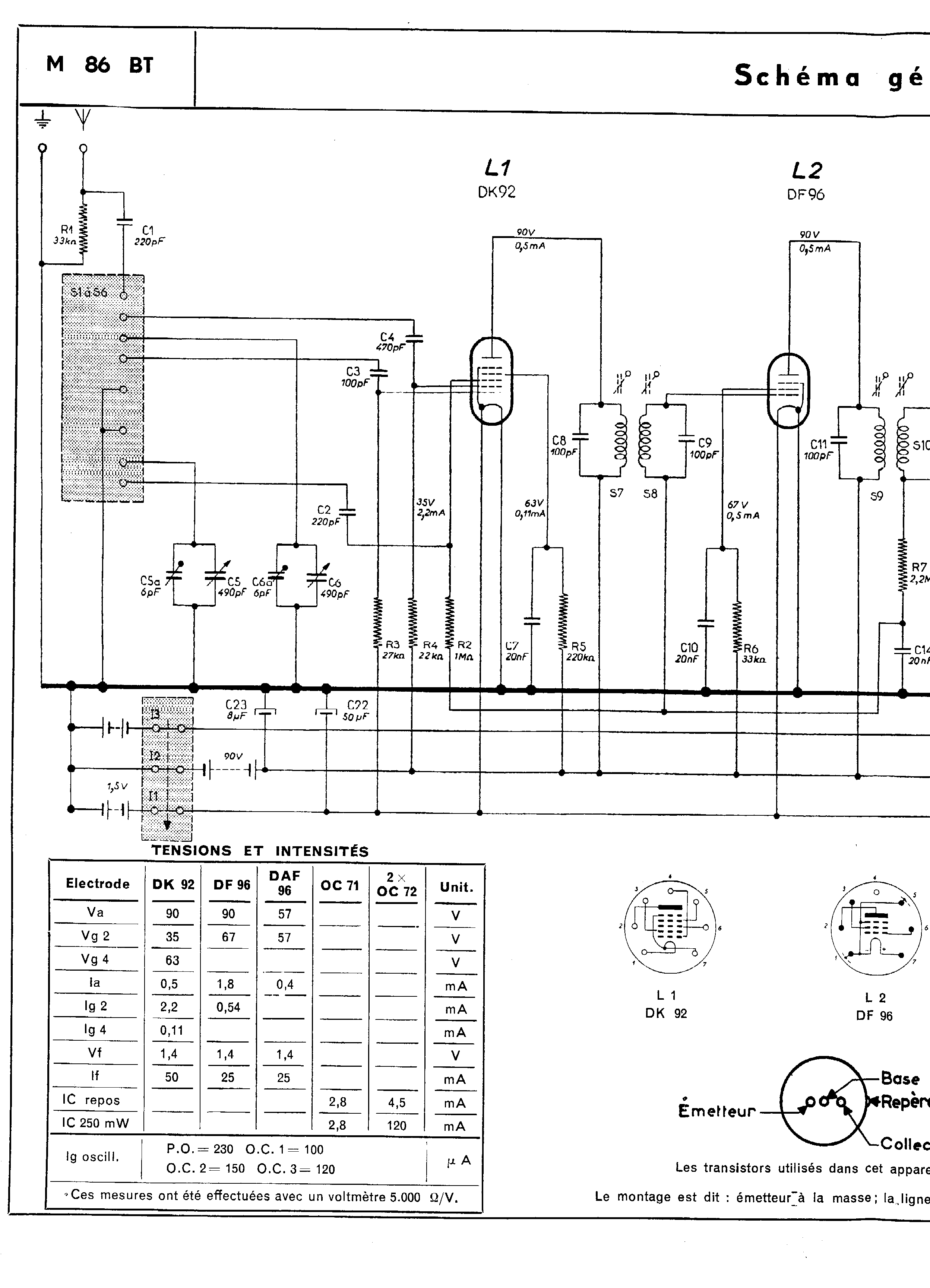
M 86 BT
Parution : 1957
En lien avec les modèles
Médiator - M 86 BT
Ténor - T 86 BT
p. 1
p. 2
p. 3
p. 4
p. 5
p. 6
Signaler un contenu erroné ou une anomalie