Modèles & Marques
GL
Magazines
Docs & Schémas
Docs
Annonces
Forum
Connexion
Base documentaire
Retrouvez les magazines dans notre nouvel espace avec visionneuse intégrée :
https://magazines.retrotechnique.org
Document n° 21174
Nombre de fichiers : 1
Placé par : Jean-michel_bourque
Origine : SRK0904
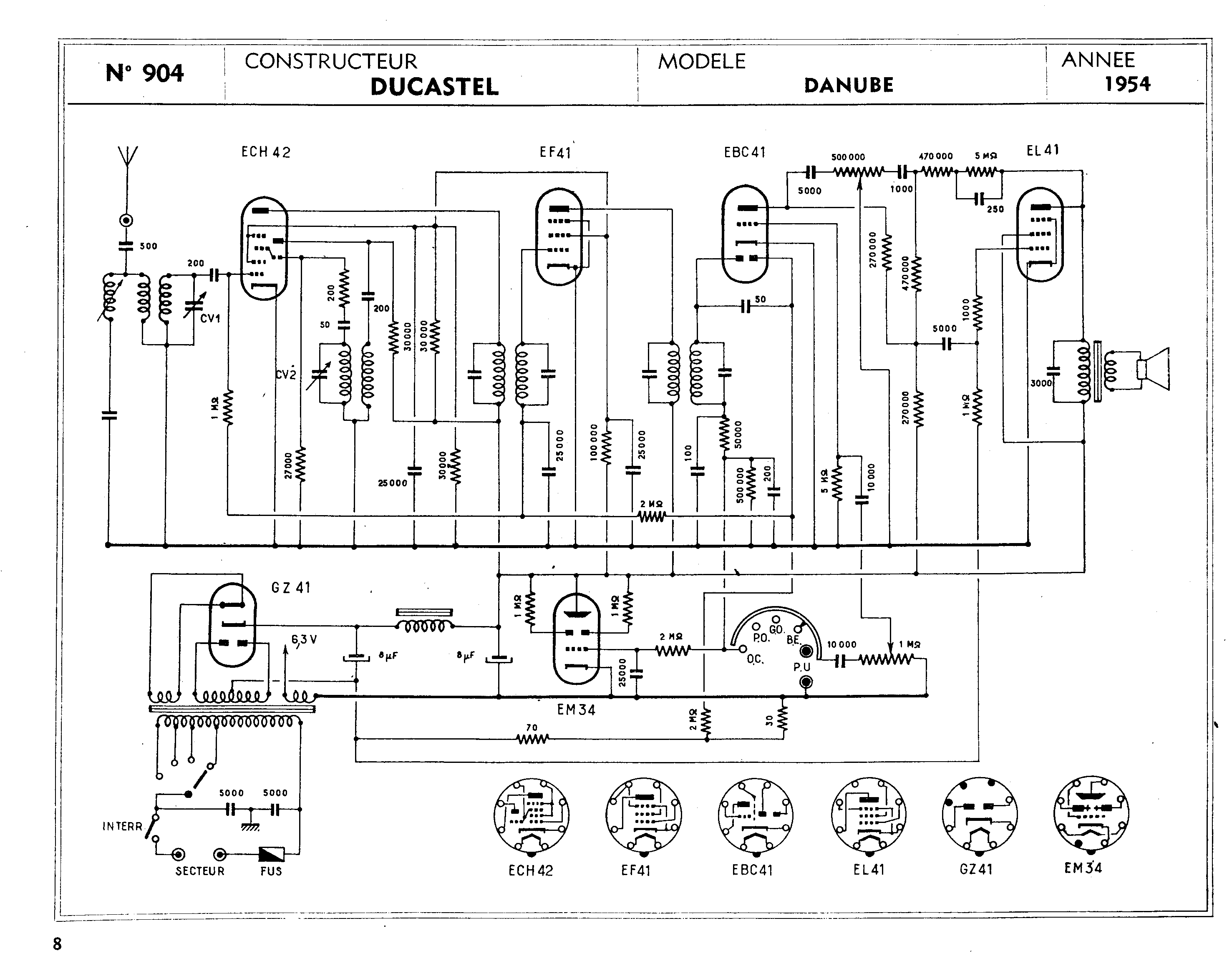
Schéma
En lien avec le modèle
Ducastel - Danube
p. 1
Signaler un contenu erroné ou une anomalie