Modèles & Marques
GL
Documents
Docs
Annonces
Forum
Connexion
Base documentaire
Retrouvez les magazines dans notre nouvel espace avec visionneuse intégrée :
https://magazines.retrotechnique.org
Document n° 19449
Nombre de fichiers : 1
Placé par : Jean-michel_bourque
Origine : Brans30242
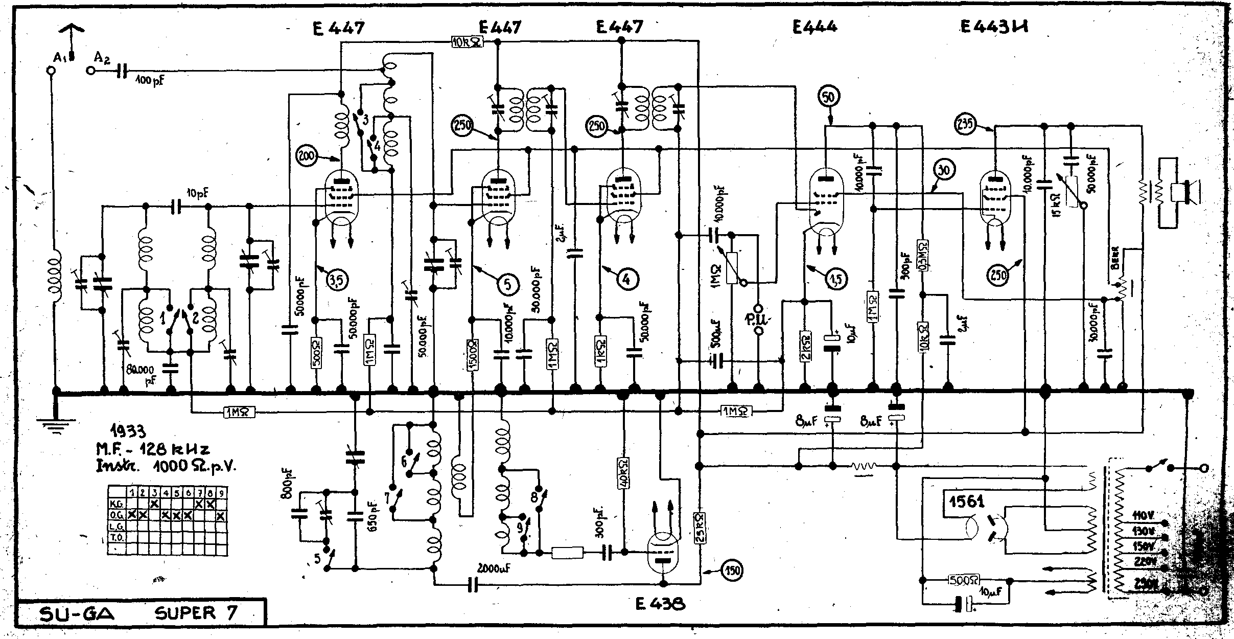
Schéma
En lien avec le modèle
SU-GA - Super 7
p. 1
Signaler un contenu erroné ou une anomalie