Modèles & Marques
GL
Documents
Docs
Annonces
Forum
Connexion
Base documentaire
Retrouvez les magazines dans notre nouvel espace avec visionneuse intégrée :
https://magazines.retrotechnique.org
Documents
->
Schémas, manuels de service
->
Schémas et manuels de service par marque et modèle
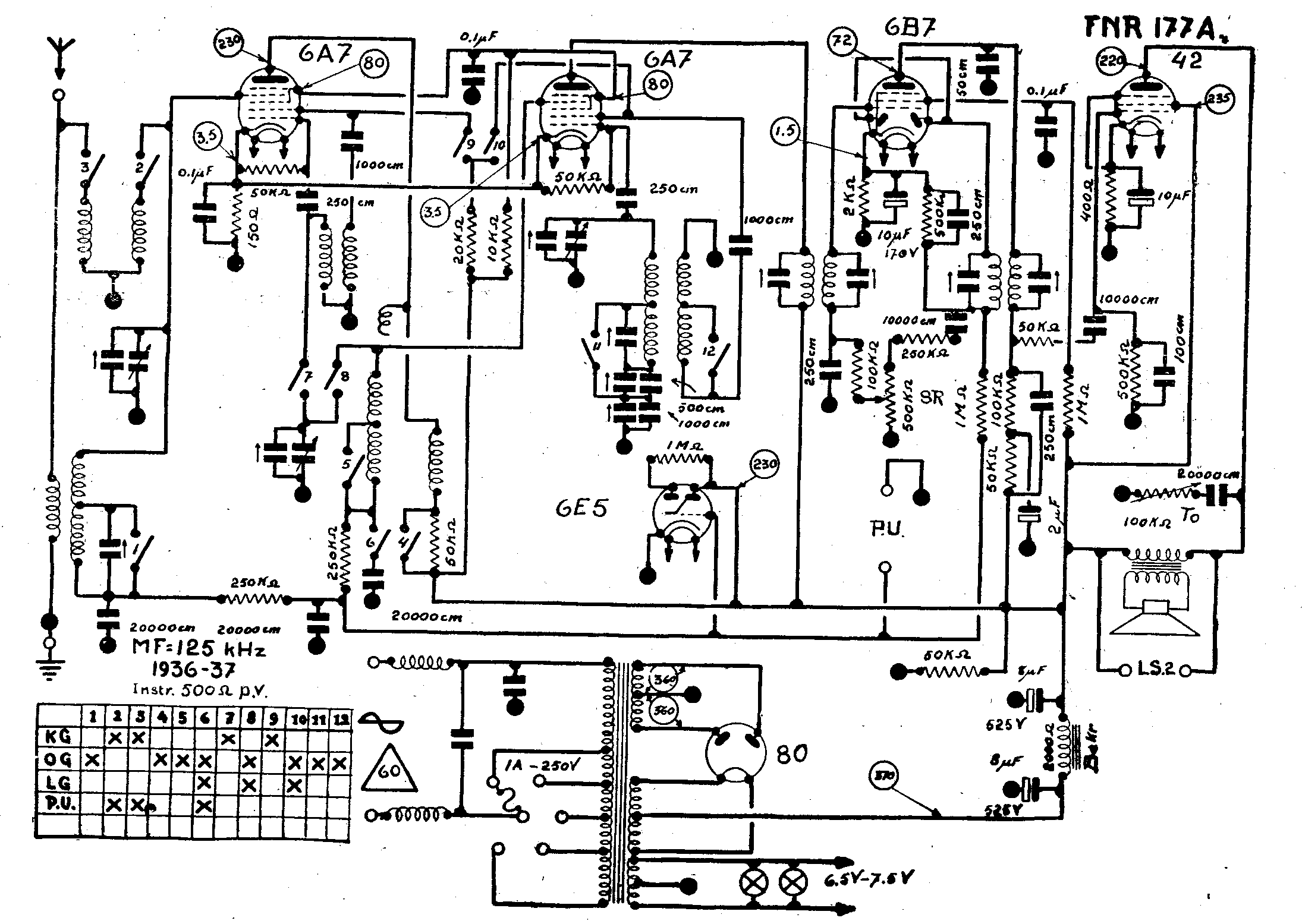
Document n° 19084
Nombre de fichiers : 1
Placé par : Jean-michel_bourque
Origine : Brans10116
Schéma
Parution : 0
En lien avec les modèles
F.N.R. - 177 A
F.N.R. - Super 177 A
p. 1
Signaler un contenu erroné ou une anomalie