Modèles & Marques
GL
Documents
Docs
Annonces
Forum
Connexion
Base documentaire
Retrouvez les magazines dans notre nouvel espace avec visionneuse intégrée :
https://magazines.retrotechnique.org
Documents
->
Schémas, manuels de service
->
Schémas et manuels de service par marque et modèle
Document n° 19083
Nombre de fichiers : 1
Placé par : Jean-michel_bourque
Origine : Brans10114
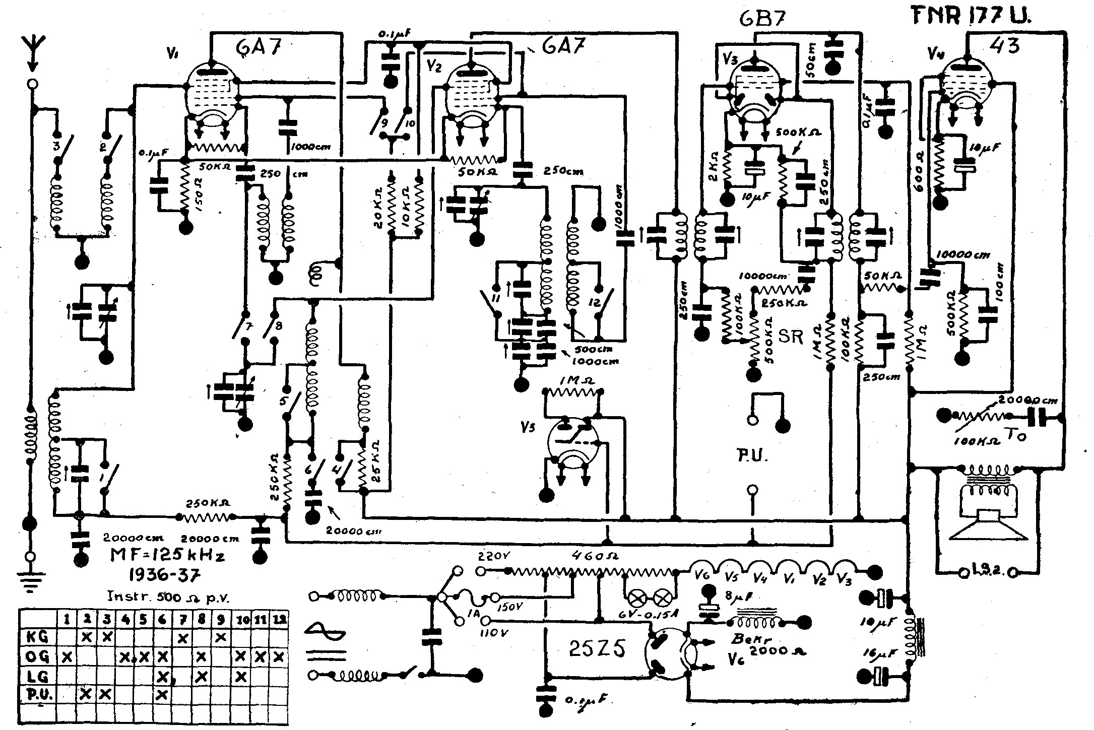
Schéma
En lien avec le modèle
F.N.R. - 177 U
p. 1
Signaler un contenu erroné ou une anomalie