Modèles & Marques
GL
Documents
Docs
Annonces
Forum
Connexion
Base documentaire
Retrouvez les magazines dans notre nouvel espace avec visionneuse intégrée :
https://magazines.retrotechnique.org
Document n° 18245
Nombre de fichiers : 2
Placé par : Jean-michel_bourque
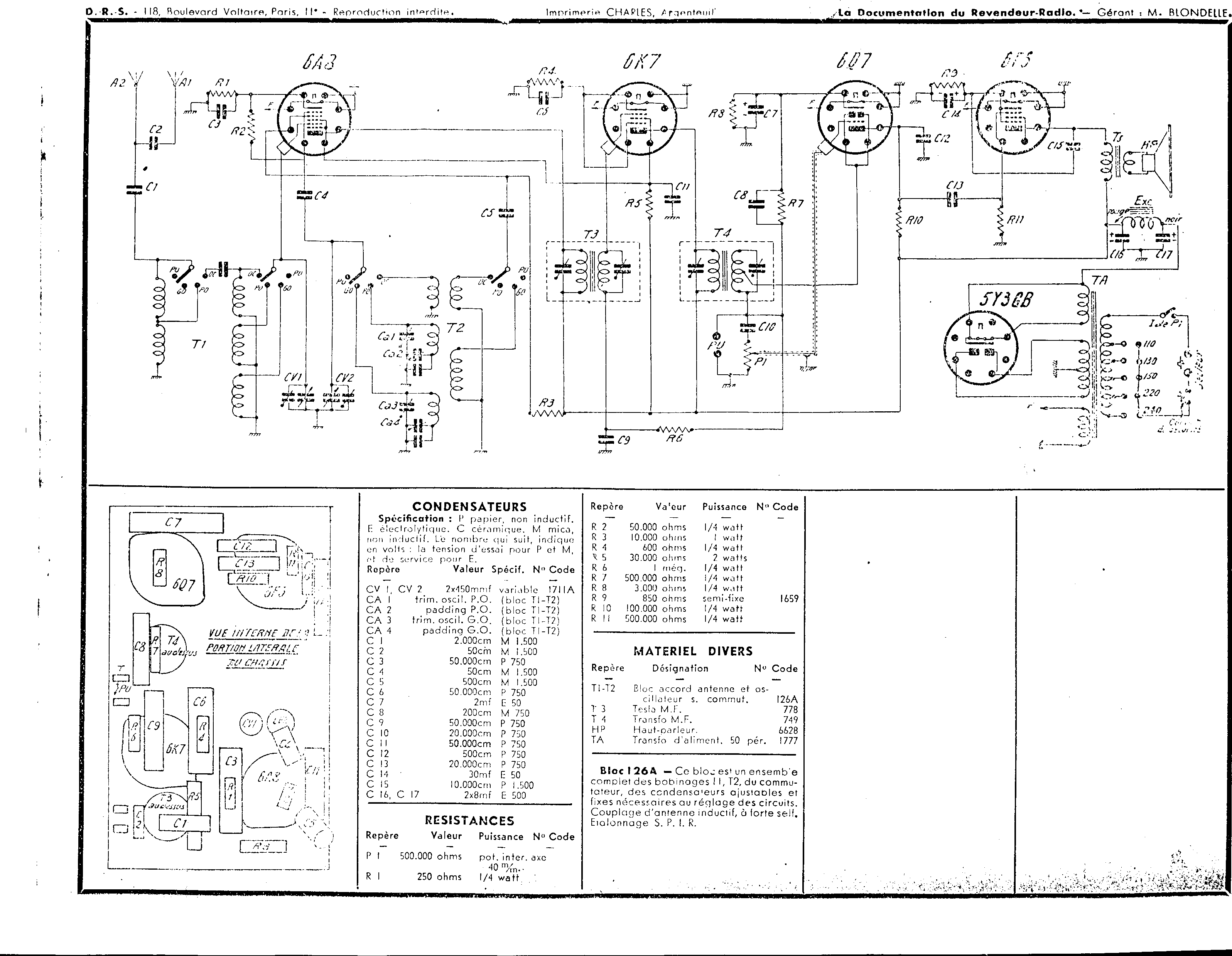
Origine : Documents-Radio-Service fiche 935J
Schéma
En lien avec le modèle
Unic-Radio - Diva 5
p. 1
p. 2
Signaler un contenu erroné ou une anomalie