Modèles & Marques
GL
Magazines
Docs & Schémas
Docs
Annonces
Forum
Connexion
Base documentaire
Retrouvez les magazines dans notre nouvel espace avec visionneuse intégrée :
https://magazines.retrotechnique.org
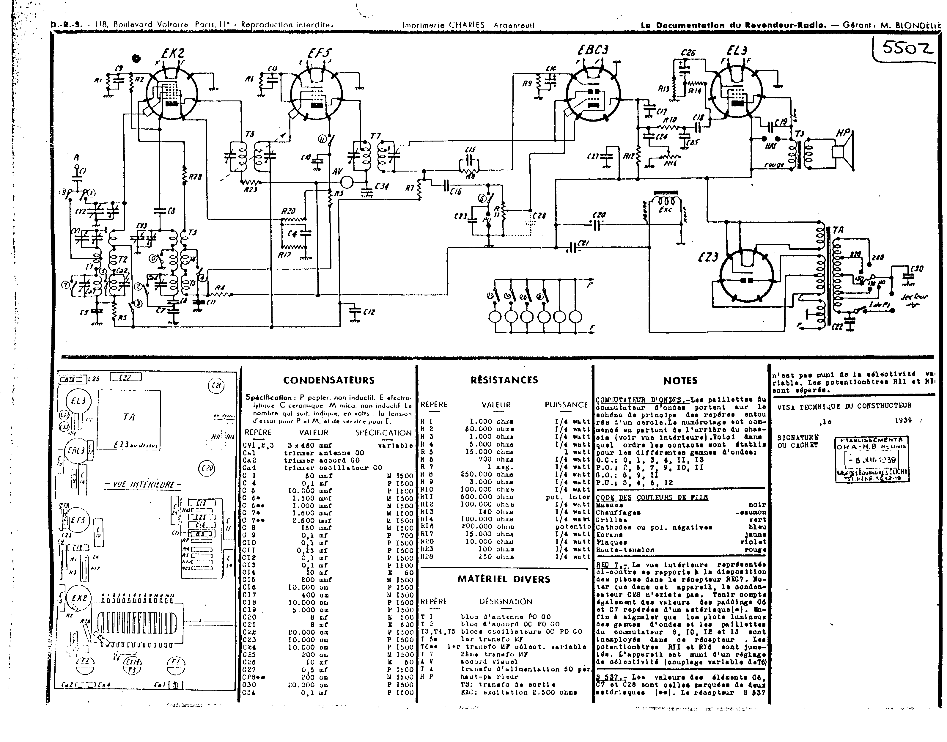
Document n° 18116
Nombre de fichiers : 2
Placé par : Jean-michel_bourque
Origine : Documents-Radio-Service fiche 550Z
Schéma
En lien avec les modèles
O.R.A. - Rec 7
O.R.A. - S 537
p. 1
p. 2
Signaler un contenu erroné ou une anomalie