Modèles & Marques
GL
Documents
Docs
Annonces
Forum
Connexion
Base documentaire
Retrouvez les magazines dans notre nouvel espace avec visionneuse intégrée :
https://magazines.retrotechnique.org
Documents
->
Schémas, manuels de service
->
Schémas et manuels de service par marque et modèle
Document n° 1619
Nombre de fichiers : 3
Placé par : Aufils Raynal
Origine : Radio Constructeur et Dépanneur
Mise en ligne : 04/11/2007
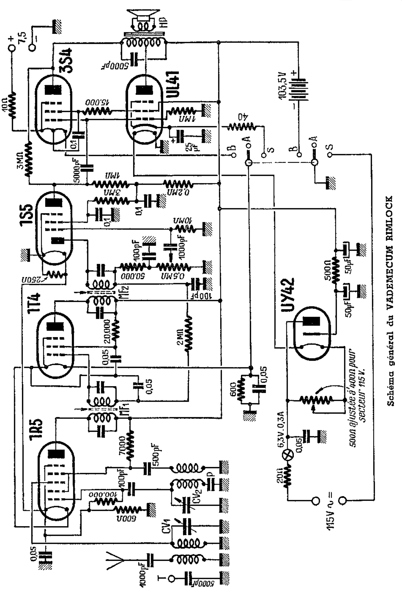
Schéma et plan de câblage
Parution : 1949
En lien avec le modèle
Radio Marino - Vade-Mecum Rimlock
p. 1
p. 2
p. 3
Signaler un contenu erroné ou une anomalie