Modèles & Marques
GL
Documents
Docs
Annonces
Forum
Connexion
Base documentaire
Retrouvez les magazines dans notre nouvel espace avec visionneuse intégrée :
https://magazines.retrotechnique.org
Documents
->
Schémas, manuels de service
->
Schémas et manuels de service par marque et modèle
Document n° 13885
Nombre de fichiers : 1
Placé par : Renoe61
Mise en ligne : 14/07/2010
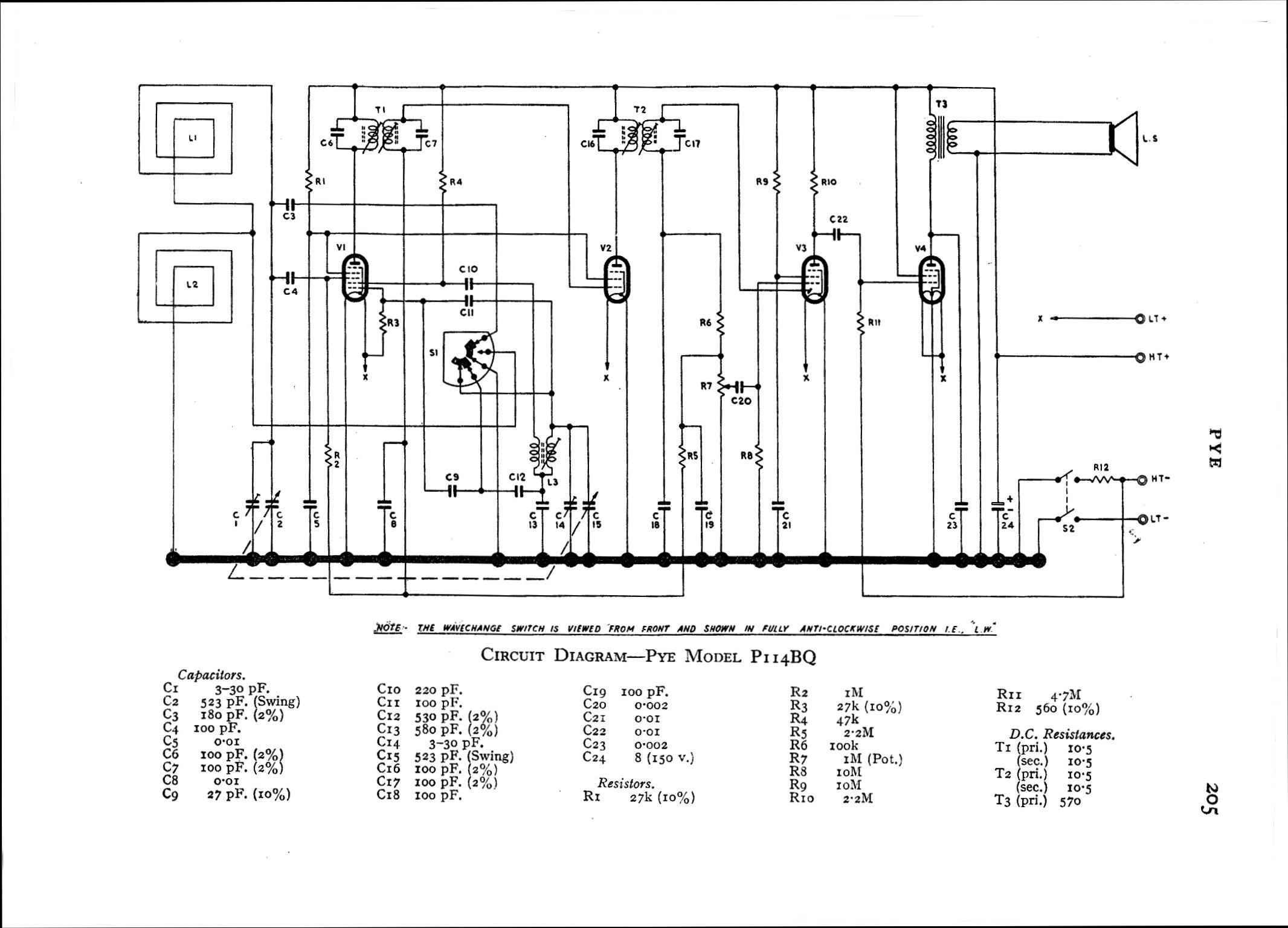
P 114 BQ
Parution : 195 ?
En lien avec le modèle
Pye - P 114 BQ
p. 1
Signaler un contenu erroné ou une anomalie