Modèles & Marques
GL
Documents
Docs
Annonces
Forum
Connexion
Base documentaire
Retrouvez les magazines dans notre nouvel espace avec visionneuse intégrée :
https://magazines.retrotechnique.org
Document n° 129018
Nombre de fichiers : 1
Placé par : Jeanmonod_henri-louis
Mise en ligne : 08/06/2025
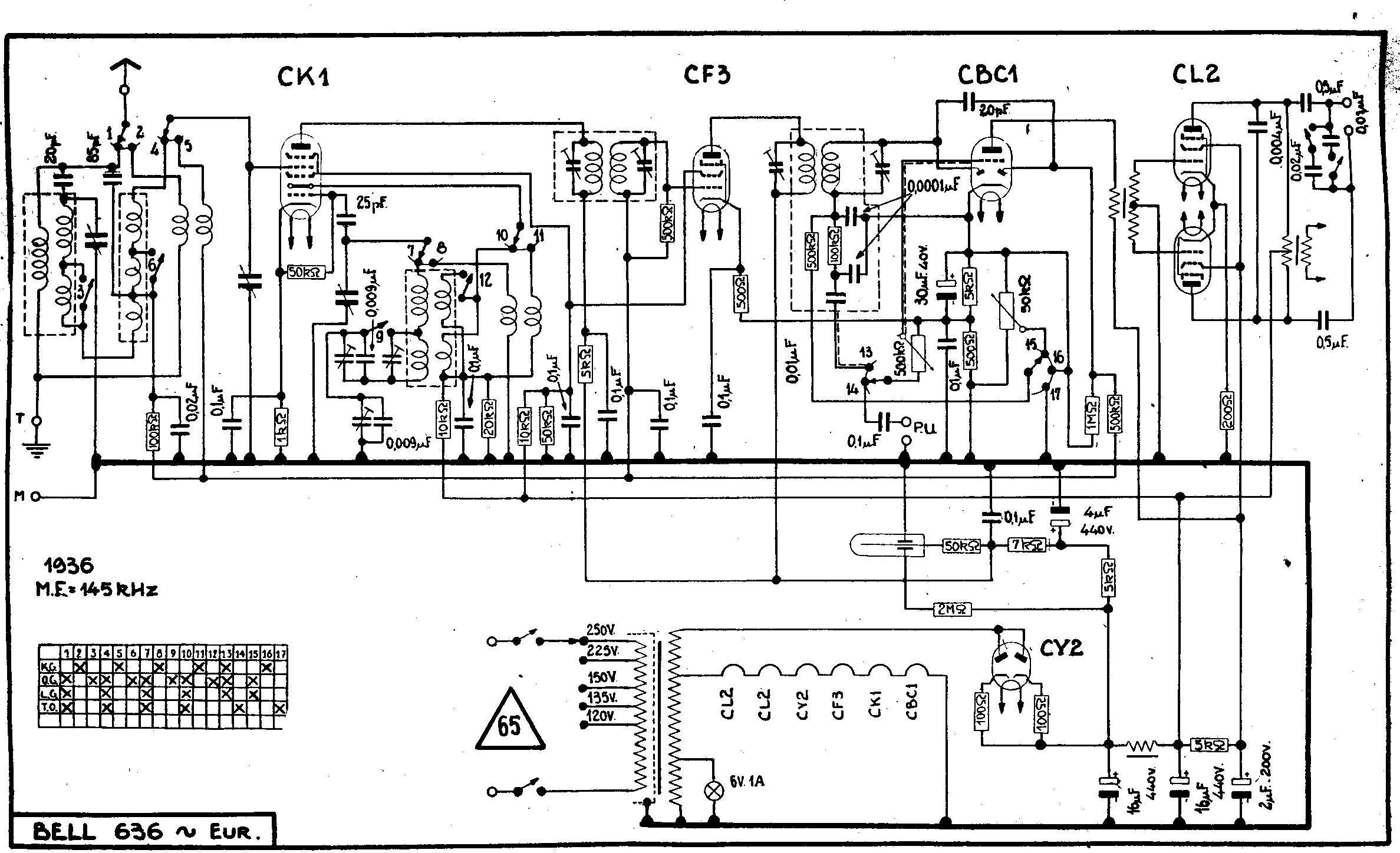
Radiobell 636 A Schéma Schémathèque Brans
Parution : 0
En lien avec le modèle
Radiobell - 636 A
p. 1
Signaler un contenu erroné ou une anomalie