Modèles & Marques
GL
Documents
Docs
Annonces
Forum
Connexion
Base documentaire
Retrouvez les magazines dans notre nouvel espace avec visionneuse intégrée :
https://magazines.retrotechnique.org
Documents
->
Schémas, manuels de service
->
Schémas et manuels de service par marque et modèle
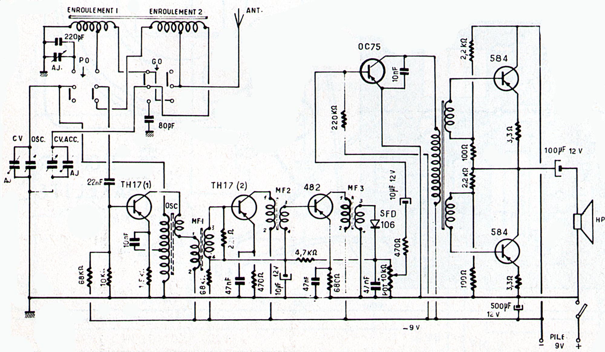
Document n° 12671
Nombre de fichiers : 1
Placé par : Aufils Raynal
Origine : Radio Plans 1966
Mise en ligne : 27/06/2010
Week-End 67
Parution : 1966
En lien avec le modèle
Alfar - Week-End 67
p. 1
Signaler un contenu erroné ou une anomalie