Modèles & Marques
GL
Documents
Docs
Annonces
Forum
Connexion
Base documentaire
Retrouvez les magazines dans notre nouvel espace avec visionneuse intégrée :
https://magazines.retrotechnique.org
Document n° 12654
Nombre de fichiers : 1
Placé par : Aufils Raynal
Origine : Radio Plans 1966
Mise en ligne : 27/06/2010
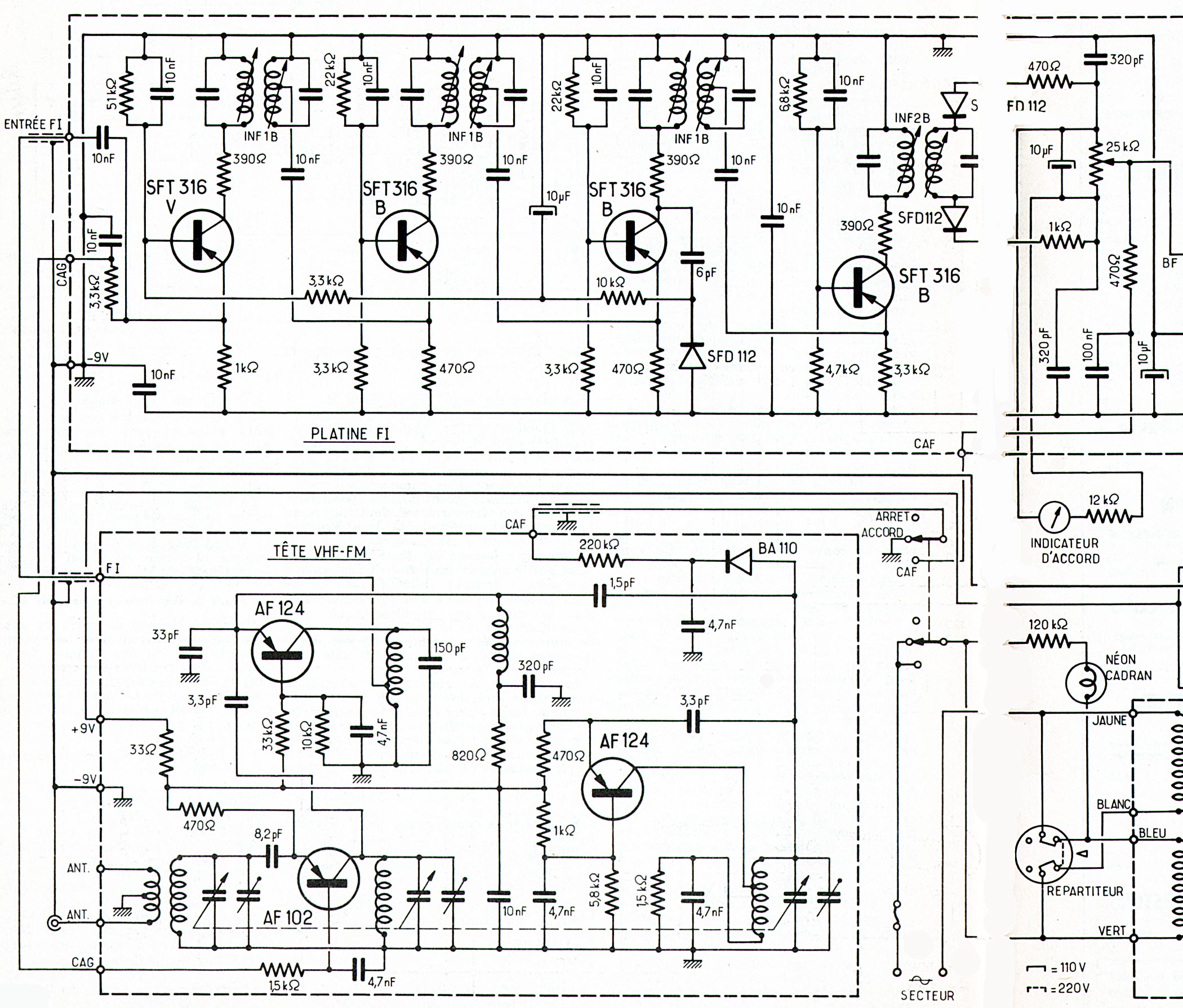
Tuner FM D67 T
Parution : 1966
En lien avec le modèle
Comptoirs Championnet - D 67 T (Tuner FM)
p. 1
Signaler un contenu erroné ou une anomalie