Modèles & Marques
GL
Documents
Docs
Annonces
Forum
Connexion
Base documentaire
Retrouvez les magazines dans notre nouvel espace avec visionneuse intégrée :
https://magazines.retrotechnique.org
Document n° 112660
Nombre de fichiers : 1
Placé par : Radiolo
Origine : radiolo
Mise en ligne : 23/03/2023
Caractéristiques
Parution : 0
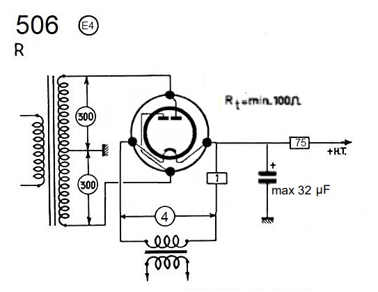
En lien avec la lampe
506
p. 1
Signaler un contenu erroné ou une anomalie