Modèles & Marques
GL
Documents
Docs
Annonces
Forum
Connexion
Base documentaire
Retrouvez les magazines dans notre nouvel espace avec visionneuse intégrée :
https://magazines.retrotechnique.org
Document n° 10992
Nombre de fichiers : 1
Placé par : Aufils Raynal
Origine : Radio Plans 1965
Mise en ligne : 22/06/2010
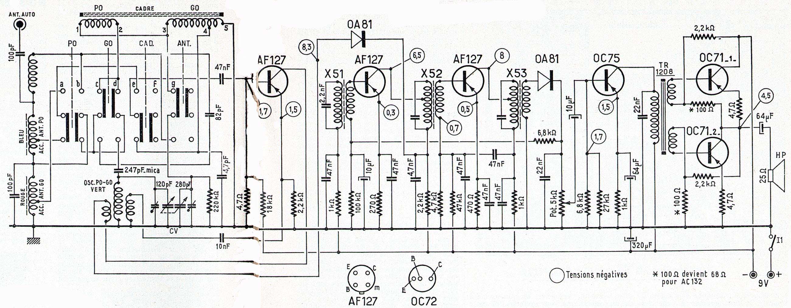
Lamiral
Parution : 1965
En lien avec le modèle
Comptoirs Championnet - Lamiral
p. 1
Signaler un contenu erroné ou une anomalie