Modèles & Marques
GL
Documents
Docs
Annonces
Forum
Connexion
Base documentaire
Retrouvez les magazines dans notre nouvel espace avec visionneuse intégrée :
https://magazines.retrotechnique.org
Document n° 105589
Nombre de fichiers : 1
Placé par : Radiolo
Origine : F6FLC
Mise en ligne : 14/04/2022
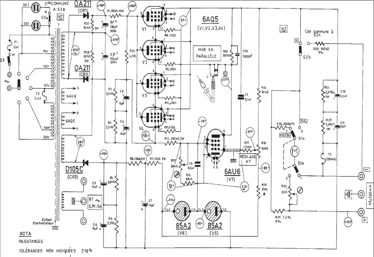
Schéma
Parution : 0
En lien avec le modèle
Ferisol - CF 201E
p. 1
Signaler un contenu erroné ou une anomalie